?
| 材料 |
?????? 介質溫度℃ |
材料 |
介質溫度℃ |
| 氯化聚氯乙烯(PVC-C) |
-20℃~+95℃ |
聚氯乙烯(PVC-U) |
-5℃~+45℃ |
| 增強聚丙烯(FRPP) |
-20℃~+120℃ |
均聚聚丙烯(PPH) |
-20℃~+110℃ |
| 聚偏二氟乙烯(PVDF) |
40℃~+150℃ |
|
|
1.工程塑料系列球閥采用FRPP、PVDF、PVC-C、PVC-U、PPH等耐腐蝕熱塑性塑料一次注塑成型,有較強抗腐蝕能力。
2.PTFE墊座松緊可適度調整。
3.雙層O型圈提供雙重防漏保護。
4.外觀精致、表面光滑、加工精細、全流量設計。
5.可通過電腦、控制中心遠程操控執行器,通過閥門的啟閉來控制介質的流通及流量,更加方便、快捷,減少人工損耗,保障現場作業人員的安全。
?

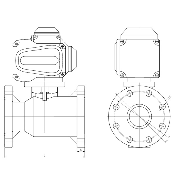
公稱直徑 DN (mm) |
D |
d |
L |
h |
n |
? |
| 20(3/4") |
105 |
75 |
120 |
16 |
4 |
15 |
| 25(1") |
120 |
90 |
130 |
16 |
4 |
19 |
| 32(1 1/4) |
135 |
100 |
145 |
18 |
4 |
19 |
| 40(1 1/2") |
145 |
105 |
168 |
20 |
4 |
19 |
| 50(2") |
160 |
120 |
180 |
20 |
4 |
19 |
| 65(2 1/2") |
180 |
140 |
225 |
22 |
4 |
19 |
| 80(3") |
195 |
150 |
260 |
25 |
4 |
19 |
| 100(4") |
215 |
175 |
280 |
25 |
8 |
19 |
| 125(5") |
245 |
210 |
350 |
30 |
8 |
23 |
| 150(6") |
280 |
240 |
400 |
30 |
8 |
23 |
| 300(12") |
483 |
400 |
450 |
38 |
16 |
25 |