?
| 材料 |
?????? 介質溫度℃ |
材料 |
介質溫度℃ |
| 氯化聚氯乙烯(PVC-C) |
-20℃~+95℃ |
聚氯乙烯(PVC-U) |
-5℃~+45℃ |
| 增強聚丙烯(FRPP) |
-20℃~+120℃ |
均聚聚丙烯(PPH) |
-20℃~+110℃ |
| 聚偏二氟乙烯(PVDF) |
40℃~+150℃ |
|
|
1. 密封件膜片采用 F46 或 PFA 制造,耐折次數≥ 120000 次,耐腐蝕性能與 F4 相當。
2. 采用螺桿升降結構,啟閉力矩小,平穩性好。
3.可通過電腦、控制中心遠程操控執行器,通過閥門的啟閉來控制介質的流通及流量,更加方便、快捷,減少人工損耗,保障現場作業人員的安全。
?

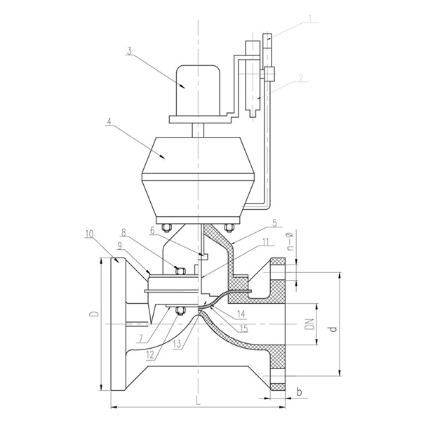
| 序號 |
名稱 |
材質 |
數量 |
| 1? |
電磁閥 |
|
1? |
| 2? |
壓力表 |
|
1? |
| 3? |
信號反饋器 |
|
1? |
| 4? |
氣動執行器 |
鋁合金 |
1? |
| 5? |
閥蓋 |
PPH、PVC-C、PVC-U、PVDF、FRPP |
1? |
| 6? |
閥桿螺母 |
不銹鋼、鋼 |
1? |
| 7? |
下壓板 |
Q345、不銹鋼 |
2? |
| 8? |
螺絲 |
鋼、不銹鋼 |
4? |
| 9? |
上壓板 |
Q345、不銹鋼 |
2? |
| 10? |
閥體 |
PPH、PVC-C、PVC-U、PVDF、FRPP |
1? |
| 11? |
閥桿 |
鋼、不銹鋼 |
1? |
| 12? |
螺帽 |
鋼、不銹鋼 |
4? |
| 13? |
閥板 |
PPH,PVC-C,PVC-U FRPP,PVDF/Cast iron |
1? |
| 14? |
橡膠墊 |
EPDM,FPM |
1? |
| 15? |
膜片 |
F46.PFA.PTFE |
1? |
| 規格 |
D |
d |
L |
b |
n-Φ |
| 15? |
95? |
65? |
125? |
14? |
4-Φ14 |
| 20? |
105? |
75? |
135? |
18? |
4-Φ14 |
| 25? |
115? |
85? |
145? |
18? |
4-Φ14 |
| 32? |
135? |
100? |
160? |
18? |
4-Φ18 |
| 40? |
145? |
110? |
180? |
20? |
4-Φ18 |
| 50? |
160? |
125? |
210? |
22? |
4-Φ18 |
| 65? |
180? |
145? |
250? |
24? |
4-Φ18 |
| 80? |
195? |
160? |
300? |
24? |
8-Φ18 |
| 100? |
225? |
180? |
350? |
28? |
8-Φ18 |
| 125? |
245? |
210? |
400? |
30? |
8-Φ18 |
| 150? |
280? |
240? |
455? |
30? |
8-Φ23x27 |
| 200? |
335? |
295? |
570? |
40? |
8-Φ22 |
| 250? |
390? |
350? |
680? |
38? |
12-Φ23 |
| 300? |
445? |
400? |
680? |
38? |
12-Φ23 |