1. 規格齊全
2. 性能可
3. 使用范圍廣
4. 安裝簡易可靠
5. 可任意位置安裝
?
?
| 材料 |
?????? 介質溫度℃ |
材料 |
介質溫度℃ |
| 氯化聚氯乙烯(PVC-C) |
-20℃~+95℃ |
聚氯乙烯(PVC-U) |
-5℃~+45℃ |
| 增強聚丙烯(FRPP) |
-20℃~+120℃ |
均聚聚丙烯(PPH) |
-20℃~+110℃ |
| 聚偏二氟乙烯(PVDF) |
40℃~+150℃ |
|
|
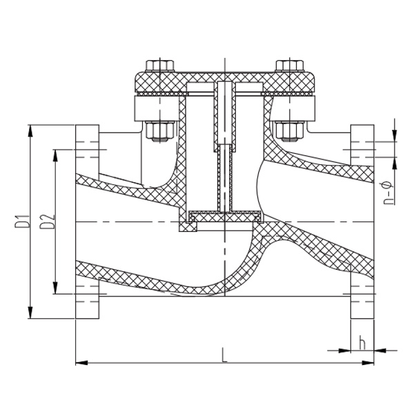
| 件號 |
名稱 |
材質 |
| 1 |
閥蓋 |
FRPP |
| 2 |
O型圈 |
EPDM |
| 3 |
活塞 |
PP+PTEE |
| 4 |
閥體 |
FRPP |
?

升降式止回閥裝配明細圖
?
?
?公稱直徑 DN(mm) |
D |
d |
L |
b |
n-Φ |
| GB |
JIS |
ANSI |
GB |
JIS |
ANSI |
| 40(11/2") |
150? |
110? |
110? |
98.4? |
200? |
20? |
4-Φ18 |
4-Φ19 |
4-Φ16 |
| 50(2") |
165? |
125? |
125? |
120.7? |
230? |
20? |
4-Φ18 |
4-Φ19 |
4-Φ18 |
| 65(21/2") |
185? |
145? |
145? |
139.7? |
295? |
24? |
4-Φ18 |
4-Φ19 |
4-Φ18 |
| 80(3") |
200? |
160? |
160? |
152.4? |
310? |
25? |
8-Φ18 |
8-Φ19 |
4-Φ18 |

?