| 材料 |
?????? 介質溫度℃ |
材料 |
介質溫度℃ |
| 氯化聚氯乙烯(PVC-C) |
-20℃~+95℃ |
聚氯乙烯(PVC-U) |
-5℃~+45℃ |
| 增強聚丙烯(FRPP) |
-20℃~+120℃ |
均聚聚丙烯(PPH) |
-20℃~+110℃ |
| 聚偏二氟乙烯(PVDF) |
40℃~+150℃ |
|
|
1.輕便:PVC-U 材料的比重只有鑄鐵的 1/10,運輸,安裝簡易,降低成本;
2.抗化學性優越:PVC-U 具有優良的抗酸堿性能,除接近飽和點強酸堿外;
3.耐用:抗候性優良,也不能被細菌及菌類所腐化;
4.不導電:PVC-U 材料不能導電,也不受電解,電流的腐蝕,應此無需二次加工。不能燃燒,也不助燃,沒有消防顧慮;
5.阻力小,流率高:內壁光滑,流體流動性損耗小,加以污垢不易附著在平滑管壁,保養較為簡易,保養費用較低;
6.安裝簡易,成本低廉:切割及聯接都很簡易,使用 PVC 膠水聯接實踐證明安全可靠,操作簡便,成本低廉。

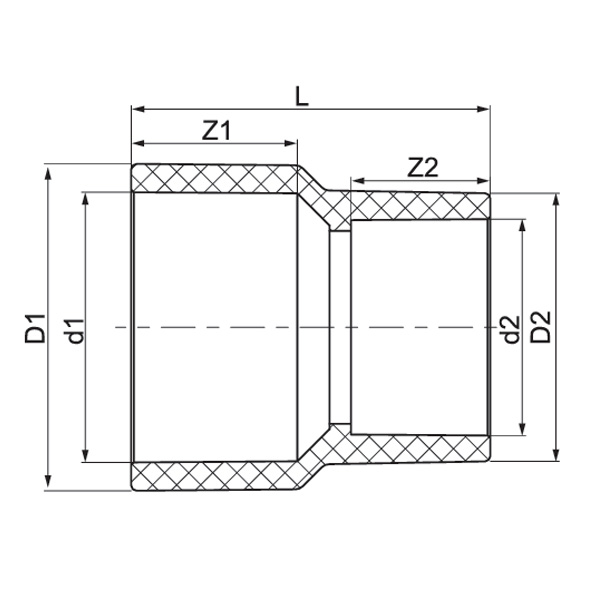
| 規格 |
D1 (mm) |
D2 (mm) |
d1 (mm) |
d2 (mm) |
L (mm) |
Z1 (mm) |
Z2 (mm) |
| 2″*1″(50*25) |
74? |
45? |
60.32? |
33.4? |
87? |
38.5? |
29? |
| 2″*1?″(50*32) |
74? |
54.5? |
60.32? |
42.16? |
86? |
38.5? |
32? |
| 2″*1?″(50*40) |
74? |
61? |
60.32? |
48.26? |
86? |
38.5? |
35? |
| 2?″*1?″(65*32) |
90? |
54.5? |
73.02? |
42.16? |
98.5? |
45? |
32? |
| 2?″*1?″(65*40) |
90? |
61? |
73.02? |
48.26? |
98.5? |
45? |
35? |
| 2?″*2″(65*50) |
90? |
74? |
73.02? |
60.32? |
97? |
45? |
38.5? |
| 3″*1? ″(80*40) |
107? |
61? |
88.9? |
48.26? |
109.5? |
48? |
35? |
| 3″*2″(80*50) |
107? |
74? |
88.9? |
60.32? |
107.5? |
48? |
38.5? |
| 3″*2? ″(80*65) |
107? |
90? |
88.9? |
73.02? |
109? |
48? |
45? |
| 4″*2″(100*50) |
134? |
74? |
114.3? |
60.32? |
129.5? |
57.5? |
38.5? |
| 4″*2?″(100*65) |
134? |
90? |
114.3? |
73.02? |
131? |
57.5? |
45? |
| 4″*3″(100*80) |
134? |
107? |
114.3? |
88.9? |
127? |
57.5? |
48? |
| 5″*2?″(125*65) |
163? |
90? |
141.3? |
73.02? |
154.5? |
67? |
45? |
| 5″*3″(125*80) |
163? |
107? |
141.3? |
88.9? |
150? |
67? |
48? |
| 5″*4″(125*100) |
163? |
134? |
141.3? |
114.3? |
146.5? |
67? |
57.5? |
| 6″*3″(150*80) |
192? |
107? |
168.28? |
88.9? |
173? |
76.5? |
48? |
| 6″*4″(150*100) |
192? |
134? |
168.28? |
114.3? |
170? |
76.5? |
57.5? |
| 6″*5″(150*125) |
192? |
163? |
168.28? |
141.3? |
167? |
76.5? |
67? |
| 8″*4″(200*100) |
247? |
134? |
219.08? |
114.3? |
221? |
102? |
57.5? |
| 8″*5″(200*125) |
247? |
163? |
219.08? |
141.3? |
218? |
102? |
67? |
| 8″*6″(200*150) |
247? |
192? |
219.08? |
168.28? |
215? |
102? |
76.5? |